行業知識
有疑惑,請問有什么可以幫您?
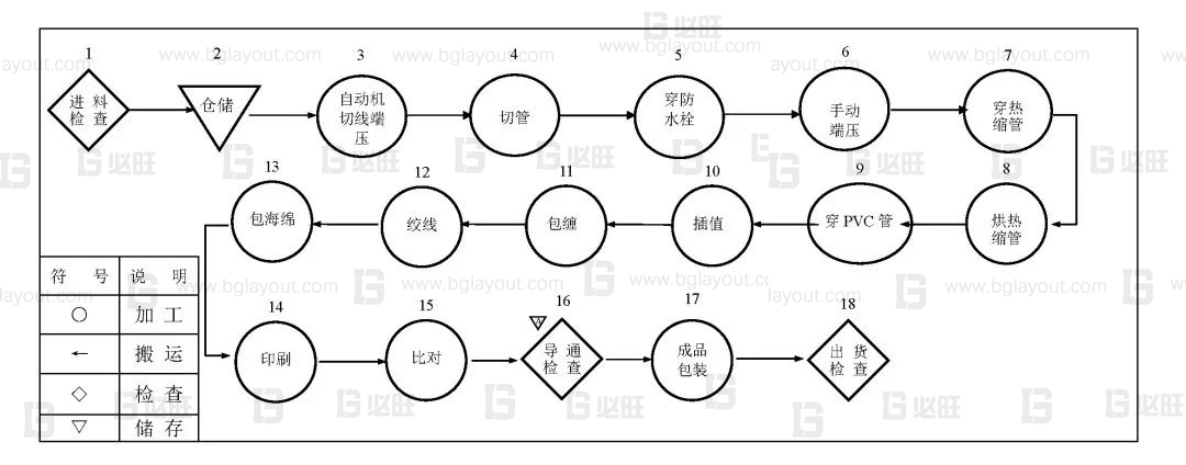
生產線體設計之小線束的生產線體布局
來源:必旺智能2023-06-20
工廠是物流過程,無論怎么實現信息化、網絡化和智能化制造,其物料流動的本質不會被改變。
今天產線設計公司根據多年設計經驗,總結出生產線體設計之小線束的生產線體布局方法
針對小線束生產,我們采用產品式布置,盡可能將生產相關機器、工裝及檢測儀器依工序順序安排,形成一字流水線的生產方式,適用于小線束生產。在生產單位內完成對同一產品的所有加工,封閉運作。可在流水線兩邊設置線邊倉,作為生產線的通用性、常用性物料存放地點。優點:加工路線短,節約運輸資源;產品等待時間減少,生產運作周期短。缺點是:不利于工藝管理,生產靈活性差,疲勞強度大。

需要重點關注的是,如何讓人、機、料這些資源流動起來?精益生產的五大原則之一就是流動,讓價值產生流動,這才是消除一切浪費的核心。人、機、料這些資源沒有流動起來,一定是哪里出了問題?根據統計企業用于增值活動的時間僅占整個活動時間的很小部分,其大部分時間是進行非增值的活動。增值時間約占企業生產和經營活動的5%,不增值活動約占95%。所以線束的生產線體設計顯得格外重要!
生產線邊設計的方法一:
減少生產線操作員工動作的浪費和等待的浪費。物料放置在操作員工伸手所及的范圍內(避免彎腰、轉身);物料(電線、連接器、PVC管等)裸件上線,不需要在進行二次拆包作業,可直接拿取零件進行使用;物料數量、不良品、可疑品、空容器等有合適容器的放置,避免物料短缺或者不良造成的等待浪費;

生產線邊設計的方法二:
物料料架設計,不可太重和太大,主要方便物流人員搬運;線邊料架高度合適(約150cm),物料有一個固定的位置及標示,形成目視化管理。物流人員根據物料指示來完成物料補充和配送到線邊員工伸手可及處,不需要員工走動到其他地方拿取;


生產線邊設計的方法三:
在保證物料供應的前提下,通過線邊設計,盡量減少線邊物料的種類和數量,減少用錯、混用風險;在保證生產線不缺件的情況下,線邊物料的數量最少,要求水蜘蛛的小批量、多頻次的規律性運輸補充(依據實際情況調整)
生產線邊設計的方法四:
生產人員和物流人員工作區域不交叉,不相互干涉;線邊容器以及線邊貨架的前端和后端進行目視化標示,便于生產員工和物流人員的使用;
生產線邊設計的方法五:
盡可能將生產相關機器、工裝及檢測儀器依工序順序安排。
如:在檢測工序上的導通模塊上將明確的標識放入護套/裸端對應線的顏色,做到無遮擋、好辨識。

生產線邊設計的方法六:
建立詳盡的作業指導書和標準作業程序
通過編制和校對,集合眾人的智慧和經驗,提高生產的準確率和可行性。有效的減少在線的換型時間,提高設備的使用率。同時,對于如何操作,如何檢驗也做出規定。

配套的輔助設施
輔助設施,就相當于線體的后勤支持,考慮生產的便利和能耗最低,包括照明設計,水電氣匹配,管路布置,設備運維保障,運輸工具選型等。有了這些的合理配置和布局,將實現全力保障產品生產的正常運行和高效運行。

由于產品生產的多樣化,生產線體的設計需要符合人機工程,使現場人員操作標準.舒適,更加合理的使用空間,來滿足實際生產的需求。
生產線體設計總結
車間生產線體設計規劃的內容,不僅要結合企業的實際需求,比如產品、工藝、人員、未來愿景等,另一方面也要布局規劃和設計人員具備很強的精益意識和豐富的精益經驗。工藝作業順序、設備擺放、工裝器具配置、半成品流轉、可疑品及不良品處理、檢測工序安排等,都是非常關鍵的因素,因此考慮如何減少人、機、料資源的浪費,增加我們的價值比就顯得非常重要。
成功案例
選擇上海必旺
開啟您的智能制造模式 ,加速企業數字化轉型
免費獲取方案報價
(1)_20230519.png)

400-800-9259

.jpg)

返回列表




